欢迎访问北京腾博tengbo9885官网科学仪器有限公司 010-68213238 ,88692988 ,59777156,56370619
您的位置: 网站首页> 技术支持>解决方案
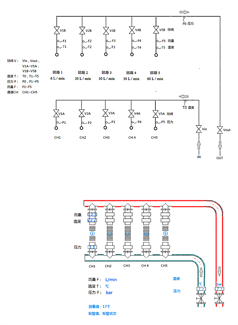
WDS-5冷却水分配系统技术方案
发布时间:2021-11-03点击量:622

一、系统简介

1. 冷却水分配系统,简称配水系统。

2. 每套配水系统可以提供5路进出水回路,5路水可以独立实现开关操作,各配水系统相应水路的最大流量见下表,单位升/秒,可以允许多路水同时使用,总水流量最大为2.5升/秒(9吨/小时)。

配水柜位置

回路1

回路2

回路3

回路4

回路5

配水流量  升/秒

0.1

0.5

0.5

0.5

1

配水流量  升/分

6

30

30

30

60 

3.每套配水系统的总出水管及每一路回水管安装温度传感器,对水温进行连续的实时监测,测量精度优于0.1°C。

4.每套配水系统的每一路回水管安装流量计,对回水流量进行连续的实时监测,测量精度优于2%,流量计量程高于各路水路的最大水流量。

5.每套配水系统的总出水管及每一路回水管安装水压计,对出水、回水的压力进行连续的实时监测,测量精度优于2%。

6.配水系统的温度、流量、水压等信息实时显示在系统的显示面板上;对以上信息的历史数据进行存储,并可以通过USB或其他方式转移到上位计算机。

7.每套配水系统的各水回路具备独立的温度、流量及压力报警功能,其报警阈值可以在合理范围内进行设置。

(1)模拟量输入:温度、流量、压力,共17路模拟量输入

温度6路:T0 ~ T5,(PT100模拟量,-50.0~100.0 ℃)

压力6路:P0 ~ P5,(4~20mA模拟量,0~10.0 bar )

流量5路:F1 ~ F5,(4~20mA模拟量,F1:0~16.0 L/min;

F2-F3-F4:0~40.0; F5:0~100.0)

(2)开关量输出:含5路独立报警、1路总报警,共6路;

每路的温度、流量、压力可以设定报警值(区间值,比如上下限值)

(3)通讯输出:可通过无线方式,送到位于同一大厅内的上位PC机。

(4)触摸屏显示:带历史数据记录、查询功能;历史报警记录、查询功能。

温度、压力、流量实时测量示意图.jpg

二、操作指南

本机主要的操作,在触摸屏上进行,有良好的人机操作界面。

操作界面全中文显示,包括:主界面、参数设定、手动操作、数据查询、报警查询。

2.1 开机画面

在正确的设备安装和电气连接后,打开设备前上部的电气箱,合上空气开关,即可开机。开机后,系统开始自检,之后触摸屏显示开机画面,如下图:

点击右下角‘进入’,可进入主界面。

冷水机控制面板.jpg

2.2 主界面

主界面,以图文的形式,显示设备的主要组成部件、测量值和报警信号。主界面全面地表达了设备的组成,温度、流量、压力的实时测量值。

在主界面的下方,设置了几个功能按键,方便跳转到其它功能页面,比如参数设定、数据查询、报警查询、联系我们等。

主界面,包括以下主要部分:

1)模拟量采集:温度、流量、压力,共17路模拟量的实时采集和显示。

① 温度6路:T0 ~ T5,(-50.0~100.0 ℃)

② 压力6路:P0 ~ P5,(0~10.0 bar )

③ 流量5路:F1 ~ F5,(F1:0~16.0 L/min;F2-F3-F4:0~40.0;F5:0~100.0)

2)报警和通讯:在报警和通讯状态,主界面有相应的图文闪动示意。报警项目包括:① 温度、流量、压力的测量值是否超出量程;

② 温度、流量、压力的测量值是否超出用户设定的报警值;

③ 与上位机通讯是否正常。

在进入报警状态后,屏幕图文闪烁,测量值实时闪烁,显示报警项目,并自动记录报警的种类、发生时间。

与上位机通讯时,显示屏上方指示通讯状态。

进入报警状态.jpg

2.3  参数设定

本机的参数设定,是指用户常用参数的屏幕输入,界面如下图。

可修改的用户报警参数包括:温度、流量、压力的报警上下限设定。用户按需设定即可。

用户需要修改参数,只需点击相应的数值,在屏幕上输入进行修改,保存即可,保存后立即生效。若输入的数值,超出可设定的范围,会有相应的报错提示信息。 

参数设定.jpg

2.4数据记录

运行过程中,温度、流量、压力等测量值,本机自动实时保存。

用户可以将数据上传到上位机,进行编辑、保存、打印等操作,也可以在本机屏幕查看。查看时,可使用屏幕上的滚动条和触摸按键。

数据记录.jpg

2.5报警查询

本机的报警,都是声光同时报警,主要包括温度、流量、压力的上下限超限报警。

每个报警产生的时间、故障描述、报警结束的时间,都有实时的记录。

当报警记录较多时,为了方便查看,可使用屏幕下方的翻页按键,快速浏览。

报警声音较大,若现场需要关掉报警声,可点击‘报警消音’键。

报警查询.jpg

报警输出:本机带有总报警和每路报警的开关量输出,常开常闭可选,可作为用户设备的连锁报警信号,确保在温度、压力、流量异常的情况下,保护用户设备。

在本机断电时,可视作异常,也可输出异常报警连锁信号。

相关推荐

微信一 微信一 微信
微信二维码